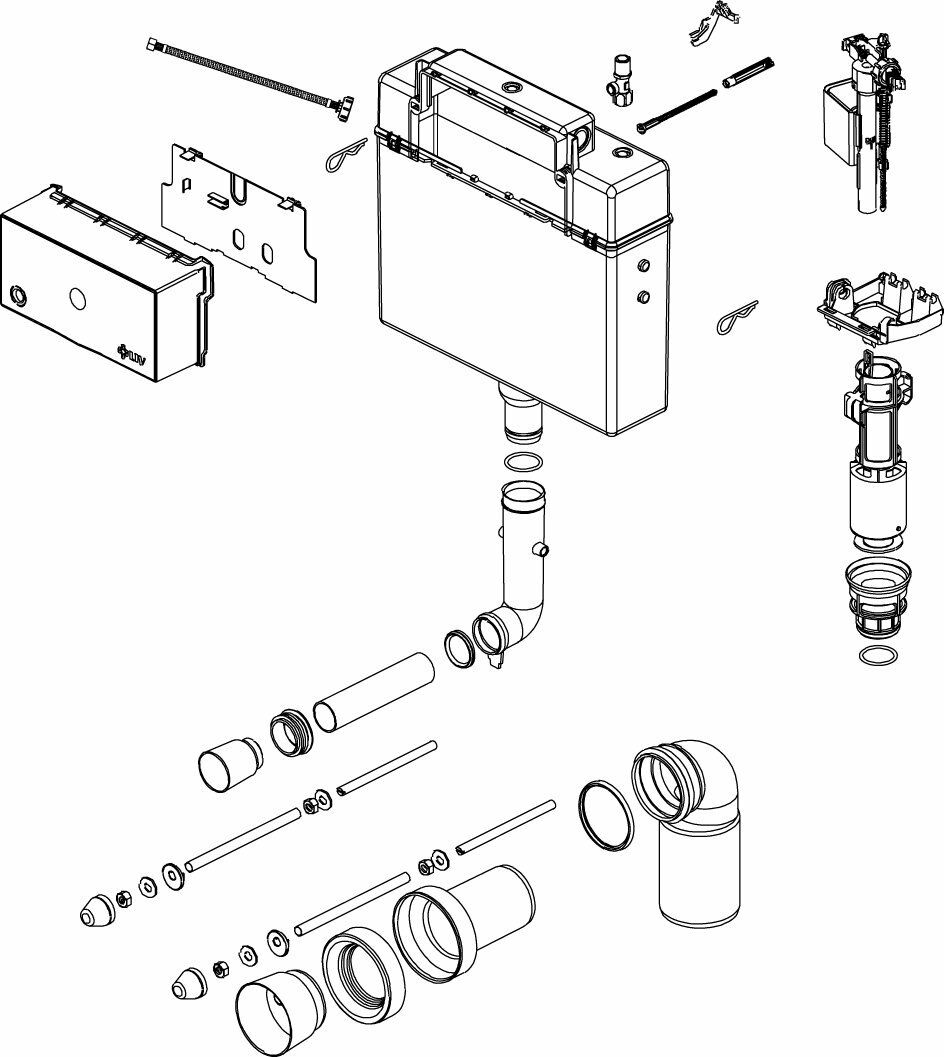
9022
Na skici možete pronaći najčešće tražene rezervne dijelove donjeg ugradbenog vodokotlića. Ako dio koji tražite nije dostupan, kontaktirajte nas i pokušat ćemo vam pomoći.

12 Pronađeni proizvodi
Ventil za punjenje HDV G 3/8 mesing
Prikladno za ugradbene i vidljive vodokotlićeTrajni, iznimno robustan mehanički ventil za punjenje s bočnim priključkomOtporan na male čestice u dovodnoj vodi Iznimno tih rad (klasa 1) Brzo punjenje Vijak za prilagođavanje razine vode Brza i jednostavna montaža Dokazana i pouzdana kvaliteta Konzistentan rad Priključak od mesinga G 3/8 x 21 mm
Izljevni ventil, za vodokotlića 9012, 9022
Izljevni ventil za dvokoličinsko ispiranje s silikonskom brtvom Most i nosač izljevnog ventila s O-ring brtvom Za ugradbene vodokotliće 9012 i 9022
Izljevni ventil, vodokotlić 9021
Izljevni ventil za start-stop ispiranje s silikonskom brtvom i nosačem izljevnog ventila s O-ring brtvom Za ugradbene vodokotliće 9021 (Tornado start-stop)
Priključna cijev, vodokotlići 9012 i 9022 (od 10/2014 dalje)
Priključna cijev Prikladno za ugradbene vodokotliće 9012 i 9022 (od 10/2014 dalje)
Navojne šipke i zaštitne cjevčice, FIX
Navojne šipke i zaštitne cjevčice za viseću zidnu WC školjkuZa ugradnju ugradbenih vodokotlića (FIX)
Poluga (do 02/2014)
Set poluga za aktiviranje izljevnog ventila – stara S potisnom šipkom Za ugradbene vodokotliće 9012 i 9022
Zaštita otvora za reviziju, vodokotlići 9021/9022 (TORNADO)
Zaštita otvora za reviziju Za ugradbene vodokotliće 9021 i 9022